Zhejiang Sehnaider Electric Co., Ltd.
Zhejiang Sehnaider Electric Co., Ltd.
Produits
BH-0.66-60 Transformers de courant
  • BH-0.66-60 Transformers de courantBH-0.66-60 Transformers de courant

BH-0.66-60 Transformers de courant

Les transformateurs de courant BH-0.66-60 adoptent le matériau de la flamme PC - et le matériau magnétique - conducteur est un noyau toroïdal recuit pour garantir la précision du produit aux niveaux 0,2 et 0,5. Pour les niveaux de précision ultra-élevés tels que 0,2 s et 0,5 s, seuls les aimants supraconducteurs peuvent répondre à ces exigences de précision.

Les transformateurs de courant BH-0,66-60 sont applicables aux systèmes d'alimentation avec une fréquence nominale de 50 Hz et une tension nominale de 0,66 kV, 0,69 kV, 0,5 kV et moins pour la mesure électrique de l'énergie, la mesure du courant et la protection des relais.


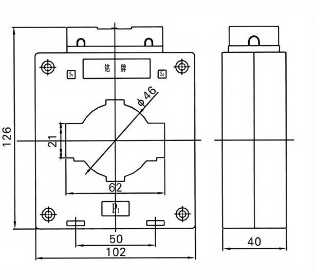
Ce transformateur actuel de Dahu est pour une utilisation intérieure, installé à l'intérieur des armoires de distribution et des boîtes. Il présente une nouvelle conception de circuits magnétiques, des méthodes de compensation avancées, des techniques de traitement exquises, des performances sûres et fiables et une apparence petite et magnifique.


La coquille extérieure est faite de PC à haute résistance à la flamme de résistance avec une structure entièrement fermée et une cote de flamme de flamme de V1. Le noyau interne est fait de feuilles d'acier en silicium orientées sur les céréales de haute qualité. Le diamètre du fil est strictement sélectionné en fonction de la densité de courant économique pour garantir une augmentation de la température inférieure. Avec un équipement de test avancé et fiable, il garantit le respect des normes de qualité.


Il a des types de trous carrés et ronds, adaptés à la pénétration de câbles racine ou multiple ou multiple ou une pénétration de barres radiculaires. Il dispose d'une série de produits complète, d'une grande variété de spécifications et d'une large gamme d'applications.


Applications

Surveillance et mesure de l'énergie

Protection des circuits et coordination du relais

Automatisation industrielle et systèmes de réseau intelligent

Spécifications techniques

Tension nominale: 0,66KV

Fréquence: 50 / 60Hz

Classe de précision: 0,5, 1,0 (personnalisable)

Niveau d'isolation: 3kV / min


Principaux paramètres techniques

Classé principal
courant (a)
Précision
classes
combinaison
Sortie secondaire nominale (VA) Courant thermique 1s (KA) Courant dynamique nominal (KA)
0,2 (s) 0.2 0.5 10p10
5-40 0,2 / 10p10
0,5 / 10p10
/ 10 10 15 90lin 220line
5-40 100lin 250lin
5-40 20 50
5-40
5-40 36 90
10
5-40 45 100
5-40 56 100
5-40
5-40 80 110
5-40 100 110


Balises actives: BH-0.66-60 Transformers de courant
envoyer une demande
Informations de contact
Si vous avez une demande de devis ou de coopération, n'hésitez pas à nous envoyer un e-mail à rivière@dahuelele.com ou à utiliser le formulaire de demande suivant. Notre représentant des ventes vous contactera dans les 24 heures. Merci de votre intérêt pour nos produits.
X
Nous utilisons des cookies pour vous offrir une meilleure expérience de navigation, analyser le trafic du site et personnaliser le contenu. En utilisant ce site, vous acceptez notre utilisation des cookies. politique de confidentialité
Rejeter Accepter