Zhejiang Sehnaider Electric Co., Ltd.
Zhejiang Sehnaider Electric Co., Ltd.
Produits
BH-0.66-50 Transformateurs de courant
  • BH-0.66-50 Transformateurs de courantBH-0.66-50 Transformateurs de courant

BH-0.66-50 Transformateurs de courant

Les transformateurs de courant BH-0.66-50 sont des instruments de précision conçus pour une mesure et une surveillance précises des courants électriques dans diverses applications industrielles. Avec un courant nominal de 50A et un rapport de transformation de 0,66, ces transformateurs fournissent des capacités de mesure de courant fiables et précises.

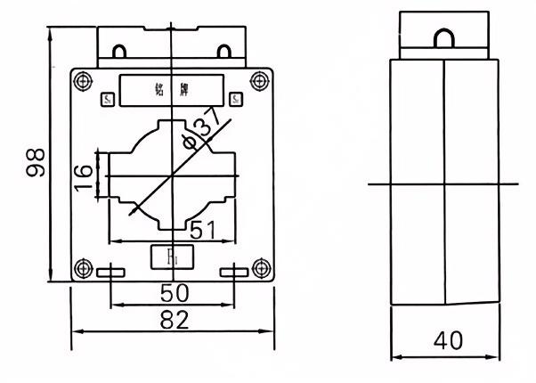
Transformateur de courant de résine époxy intérieur ou transformateur de courant en plastique intérieur

• monophasé, deux phases ou trois phases.

• Tension nominale: 0,66KV

• Classe de mesure pour CT: 0,2 s, 0,2,0,5, 0,5

• Norme: IEC61869-2

• Nom de type: BH-0.66-50

Ce transformateur de courant de type sec intérieur est utilisé dans 0,66 kV, 0,75 kV. Système d'alimentation, pour la mesure et la protection.

Il a été utilisé dans des appareils de commutation de cabine ou dans des stations de commutation baie.

Les transformateurs de courant BH-0.66-50 sont fabriqués à partir de résine époxy intérieure à haute température, de noyau en alliage amorphe pour la mesure et un noyau intérieur de haute qualité pour la protection, le cuivre électrolytique pur à usage primaire et secondaire.


Applications:

Systèmes de distribution d'énergie

Systèmes de gestion de l'énergie

Surveillance des équipements industriels

Systèmes d'énergie renouvelable


1. Matériaux premium

CORES DE HAUTE de qualité: acier de silicium laminé par la précision ou noyaux nanocristallins pour des pertes minimales et une linéarité élevée.  

Isolation robuste: les conceptions de résine époxy garantissent une stabilité à long terme dans des environnements sévères.  


2. Performance supérieure

Précision: classe 0,2 / 0,5 pour la mesure, 5p / 10p pour la protection, conforme aux normes CEI 61869, 60044, IEEE et ANSI.  

Large plage: prend en charge les systèmes de 0,6 kV-36 kV, avec des ratios / fréquence personnalisés (50/60 Hz).  

Faible hausse thermique: la conception optimisée réduit la surchauffe, prolongeant la durée de vie.  

Immunité EMC: protège contre les interférences électromagnétiques pour les signaux fiables.  


3. Service et support

Solutions personnalisées: ratios, tailles ou connecteurs sur mesure (par exemple, rail DIN, bornes IEC).  

Certifications mondiales: IEC, CE, ISO et approbations de la grille locales.  

Aide technique à vie: support 24/7, guidage d'installation et fournitures de pièces de rechange.  

Livraison rapide: produits standard en 2 à 4 semaines; Options accélérées pour les besoins urgents.  


Principaux paramètres techniques

Classé principal
courant (a)
Précision
classes
combinaison
Sortie secondaire nominale (VA) Courant thermique 1s (KA) Courant dynamique nominal (KA)
0,2 (s) 0.2 0.5 10p10
5-40 0,2 / 10p10
0,5 / 10p10
/ 10 10 15 90lin 220line
5-40 100lin 250lin
5-40 20 50
5-40
5-40 36 90
10
5-40 45 100
5-40 56 100
5-40
5-40 80 110
5-40 100 110




Balises actives: BH-0.66-50 Transformateurs de courant
envoyer une demande
Informations de contact
Si vous avez une demande de devis ou de coopération, n'hésitez pas à nous envoyer un e-mail à rivière@dahuelele.com ou à utiliser le formulaire de demande suivant. Notre représentant des ventes vous contactera dans les 24 heures. Merci de votre intérêt pour nos produits.
X
Nous utilisons des cookies pour vous offrir une meilleure expérience de navigation, analyser le trafic du site et personnaliser le contenu. En utilisant ce site, vous acceptez notre utilisation des cookies. politique de confidentialité
Rejeter Accepter