Zhejiang Sehnaider Electric Co., Ltd.
Zhejiang Sehnaider Electric Co., Ltd.
Produits
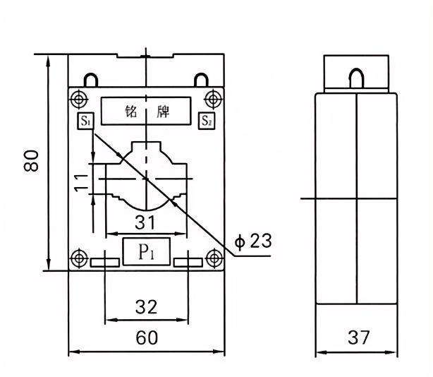
BH-0.66-30 Transformateurs de courant
  • BH-0.66-30 Transformateurs de courantBH-0.66-30 Transformateurs de courant

BH-0.66-30 Transformateurs de courant

Les transformateurs de courant BH-0.66-30 (CTS) sont des instruments de précision conçus pour une mesure et une surveillance précises du courant dans les systèmes électriques à basse tension. Avec une tension d'isolation nominale de 0,66 kV, ces transformateurs sont idéaux pour la gestion de l'énergie, le relais de protection et les applications de mesure.

Caractéristiques:

Précision élevée: répond aux normes CEI 61869, garantissant des performances fiables à des fins de facturation et de surveillance.

Conception compacte: construction d'économie d'espace pour une installation facile dans les espaces serrés.

Large gamme de courant: courant primaire jusqu'à 30A, adapté à diverses charges industrielles et commerciales.

Matériaux durables: le boîtier robuste assure une résistance aux facteurs environnementaux et à la contrainte mécanique.

Conformité à la sécurité: BH-0.66-30 Transformers actuels conformes aux certifications internationales de sécurité et de performance.


Applications:

Montage énergétique dans les systèmes de distribution d'énergie.

Protection de surintensité dans les disjoncteurs et les relais.

Intégration avec des grilles intelligentes et des solutions de surveillance basées sur l'IoT.

Spécifications techniques:

Tension nominale: 0,66KV

Fréquence: 50 / 60Hz

Classe de précision: 0,5, 1,0 (personnalisable)

Charge: selon les exigences du client


Principaux paramètres techniques

Classé principal
courant (a)
Précision
classes
combinaison
Sortie secondaire nominale (VA) Est le courant thermique (ka) Courant dynamique nominal (KA)
0,2 (s) 0.2 0.5 10p10
5-40 0,2 / 10p10
0,5 / 10p10
/ 10 10 15 90lin 220line
5-40 100lin 250lin
5-40 20 50
5-40
5-40 36 90
10
5-40 45 100
5-40 56 100
5-40
5-40 80 110
5-40 100 110


Balises actives: BH-0.66-30 Transformateurs de courant
envoyer une demande
Informations de contact
Si vous avez une demande de devis ou de coopération, n'hésitez pas à nous envoyer un e-mail à rivière@dahuelele.com ou à utiliser le formulaire de demande suivant. Notre représentant des ventes vous contactera dans les 24 heures. Merci de votre intérêt pour nos produits.
X
Nous utilisons des cookies pour vous offrir une meilleure expérience de navigation, analyser le trafic du site et personnaliser le contenu. En utilisant ce site, vous acceptez notre utilisation des cookies. politique de confidentialité
Rejeter Accepter